- Опис
- Відгуки (2)
- Витр. матеріали
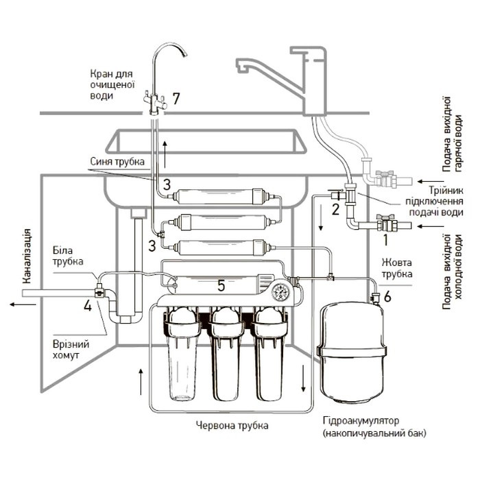
Фільтр для води Organic Smart Osmo 7 - ефективна семиступінчаста система зворотного осмосу з мінералізатором та біокерамікою. Серія фільтрів SMART від серії MASTER відрізняється покращеною комплектацією та підвищеною продуктивністю. З фільтром Organic Smart Osmo 7 Ви отримуєте якісну питну воду, після якої не буде накипу у чайнику. А смак приготованої їжі, чаю та кави буде набагато кращим. У воді після зворотного осмосу відсутні бактерії та віруси, тому її можна пити одразу без кип'ятіння, а також її можна використовувати для дитячого харчування. А наявність мінералізатора робить воду ще кориснішою для організму.
Питний фільтр Organic Smart Osmo 7 має компактні розміри та встановлюється під мийкою. Для виведення питної води після фільтра на мийку або стільницю встановлюється окремий подвійний невеликий кран типу Модерн.

Фільтр Organic Smart Osmo 7 має сім ступенів очищення води:
1-3. Попереднє очищення. Механічна очистка від піску, іржі, осаду, мулу, глини та інших механічних забруднень, а також очищення з допомогою двох вугільних картриджів від хлору, хлорорганічних сполук, органіки.
4. Зворотноосмотична мембрана Organic 75 GPD. Основний елемент фільтрації, що очищає воду на 99,8%. Через мембрану проходить лише молекула води та кисню. Решта домішок зливається в дренаж.
5. Вугільний постфільтр. Картридж для кондиціонування води перед подачею води на кран.
6. Мінералізатор. Містить 5 мінералів: турмалін, кремінь, кальцит, корал, жадеїт. Вони насичують воду корисними мікроелементами. Мінералізатор також коригує рівень рН очищеної води та нормалізує кислотно-лужний баланс в організмі.
7. Біокерамічний картридж. Активує воду, яка підвищує стійкість організму до інфекційних хвороб, збільшує вміст кисню у клітинах, бере участь в очищенні організму від токсинів.
Ця система має продуктивність близько 285 л на добу. Перша колба у фільтрі Organic Smart – прозора, що дає можливість візуально стежити за ступенем забруднення першого картриджа. Тим самим запобігаючи несвоєчасній заміні картриджів. Для правильного функціонування фільтра необхідно, щоб мінімальний тиск у водопроводі був не менше 2,8 атм. Якщо менше, тоді слід розглядати моделі з насосом або докупити насос для зворотного осмосу окремо.
У комплект цього фільтра Органік входить корпус фільтра з усіма картриджами, пластиковий накопичувальний бак на 12 л, подвійний кран на мийку типу Модерн та весь комплект для підключення системи до водопроводу. Накопичувальний бак в осмосі Organic виготовлений із харчового пластику з антибактеріальним покриттям. Три нижні картриджі змінюються раз на пів року, постфільтр, мінералізатор, біоактиватор – раз на рік, мембрана – раз на 2-3 роки.
Гарантія на зворотноосмотичні системи Organic Smart Osmo – 5 років!
Технічні характеристики:
Кількість ступенів: 7
Продуктивність: 12 л/год
Робочий тиск води: 2,8-6 атм
Призначення: для холодної води
Накопичувальний бак: 12 л (корисний об'єм 9 л)
Розмір (ШхГхВ): 410х180х470 мм
Вага системи без води: 5,6 кг
Гарантія: 5 років
Виробник: Organic (Україна)





















































