- Описание
- Отзывы (0)
- Расх. материалы
Мешочный фильтр Raifil BFH-3 Ø1 1/2" (6 м3/час) - высокопроизводительный механический фильтр для очистки жидкостей с помощью высокопрочного пористого полипропиленового мешка. Успешно применяется для фильтрации большого количества жидкости, содержащей много взвешенных частиц. Фильтр мешочного типа BFH-3 используется на небольших производствах, где есть необходимость очистки большого количества воды от механических примесей, благодаря разному рейтингу фильтровальных мешков - можно степень очистки воды: 5/25/50/100 мкм.
Принцип работы мешочного фильтра BFH-3 Резьба 1 1/2"
Мешочный фильтр BFH-3 Ø1 1/2" применяется для очистки воды и некоторых других жидких сред. Исходная вода поступает через входной патрубок и проходит через корзину с мешком, где остаются механические частицы (песок, окалина, ил и т.п.). Очищенная вода поступает на следующий этап очистки или потребителю. Входной патрубок с фланцем расположен в верхней части горизонтально относительно корпуса. Выходной патрубок с фланцем установлен в нижней части корпуса фильтра. Степень загрязнения фильтра можно контролировать с помощью манометров установленных до и после мешочного фильтра BFH-3. Когда мешок засорился — фильтрация воды прекращается, мешок заменяют на новый. Очистка фильтрующего элемента производится вручную. Для этого необходимо фильтр разобрать и очистить сменный фильтрующий элемент.
Преимущества использования фильтра Raifil BFH-3 Ø1 1/2":
- очистка большого количества как холодной, так и горячей воды;
- корпус фильтра из нержавеющей стали пищевого класса;
- большая грязеемкость фильтра;
- повторное использование фильтровального мешка;
- большой выбор рейтинга фильтрации от 5 до 100 мкм;
- надежное фланцевое подключение фильтра.
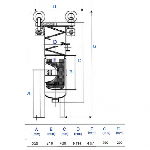
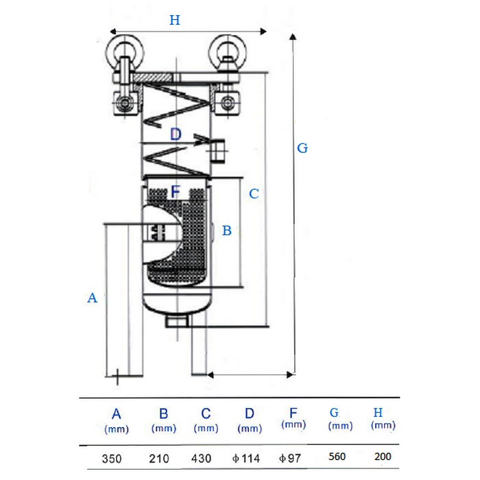
Технические характеристики:
Производительность: до 6 м3/час
Размер (ВхШхГ): 560x200x200 мм
Размер подключения: 1 1/2"
Тип подлючения: резьба
Рабочая температура воды: 0-75 °С
Максимальное давление: 10 атм
Материал корпуса фильтра: нержавеющая сталь 304 (High сlass) имеет матовое покрытие
Материал фильтрующего элемента (корзины): нержавеющая сталь 304
Материал фильтроэлемента: высокопрочный полипропилен













































