- Описание
- Отзывы (0)
- Расх. материалы
Фильтр магнитный Caleffi XS DN 3/4" 0÷90°C 3 bar (545900) - компактный магнитный осадочный фильтр с американкой для газовых котлов. Магнитный фильтр ловушку грязи Caleffi XS разработаны для установки под котлом, он механически отделяет примеси в системах отопления и кондиционирования воздуха с помощью сетчатого фильтра, неодимового магнита и коллекторной камере для отсеивания тяжелых частиц. Камера имеет прозрачные окна позволяет визуально контролировать необходимость очистки.
Благодаря эстетическому белому цвету и хромированным элементам фильтр органично вписывается в бытовой контекст. Компактные размеры делают его пригодным для всех типов отопительных котлов, установленных как в новых системах, так и в системах, прошедших реконструкцию.
Принцип работы магнитного фильтра Caleffi XS DN 3/4":
- Механическая фильтрация стальной сетки, которая удерживает шлам;
- Магнитное поле сепарации железосодержащих частиц;
- Объемная камера для осаждения шлама.
Благодаря особому профилю дефлектора, частицы шлама присутствуют в воде направляются и оседают в отстойной камере. Магнит, установленный фронтально по отношению к направлению потока, эффективно отделяет железосодержащие частицы шлама. Фильтрующая сетка на 800 мкм, отсекает остался шлам. Камера снабжена прозрачными окошками, с помощью которых можно в любой момент убедиться в необходимости очистки.
Материалы магнитного фильтра Caleffi XS DN 3/4":
• корпус: латунь EN 12165 CW617N, хромированная
• патрубок: латуньEN 12165 CW617N, хромированная
• прокладки: EPDM
• корпус держателя фильтра: PA 12
• заглушка держателя магнита: PA6G30
• сетчатый фильтр: нержавеющая сталь EN 10088-2 (AISI 304)
• слой: латунь EN 12165 CW617N, хромированная
• ручка шарового крана: PA66G30
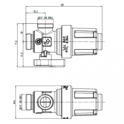
Технические характеристики:
Подключение: 3/4"
Рабочая среда: вода с максимальным содержанием гликоля 30%
Максимальное рабочее давление: 3 атм
Диапазон рабочей температуры: 0-90 °C
Механическая фильтрация: 800 μm
Магнитная индукция магнита: 0,475 TKv: 3,55 m³ / h
Производитель: Caleffi (Италия)



















