- Описание
- Отзывы (2)
- Расх. материалы
Organic Smart Osmo 8 - эффективная восьмиступенчатая система обратного осмоса с минерализатором и биокерамикой и УФ-лампой. С фильтром Organic Smart Osmo 8 Вы получаете качественную питьевую воду, после которой не будет накипи в чайнике. А вкус приготовленной еды, чая и кофе будет намного лучше. В воде после обратного осмоса отсутствуют бактерии и вирусы, поэтому ее можно пить сразу без кипячения, а также ее можно использовать для детского питания. А наличие минерализатора делает воду еще полезней для организма.
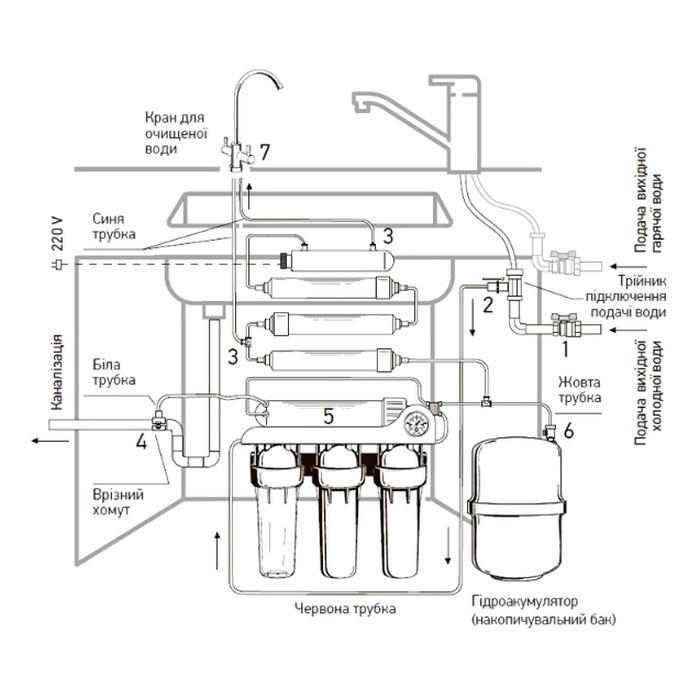
Питьевой фильтр Organic Smart Osmo 8 имеет компактные размеры и устанавливается под мойкой. Для вывода питьевой воды после фильтра на мойку или столешницу устанавливается отдельный небольшой двойной кран типа Модерн.

Фильтр Organic Smart Osmo 8 имеет восемь ступеней очистки воды:
1-3. Предварительная очистка. Механическая очистка от песка, ржавчины, осадка, ила, глины и др. механических загрязнений, а также очистка с помощью двух угольных картриджей от хлора, хлорорганических соединений, органики.
4. Обратноосмотическая мембрана Organic 75 GPD. Основной элемент фильтрации, который очищает воду на 99,8%. Через мембрану проходит только молекула воды и кислорода. Все остальные примеси сливаются в дренаж.
5. Угольный постфильтр. Картридж для кондиционирования воды непосредственно перед подачей воды на кран.
6. Минерализатор. Содержит 5 минералов: турмалин, кремень, кальцит, коралл, жадеит. Они насыщают воду полезными микроэлементами. Минерализатор также корректирует уровень рН очищенной воды и нормализует кислотно-щелочной баланс в организме.
7. Биокерамический картридж. Активирует воду, которая повышает стойкость организма к инфекционным болезням, увеличивает содержание кислорода в клетках, берет участие в очистке организма от токсинов.
8. УФ-лампа. Ультрафиолетовая лампа на 100% защищает от бактерий и вирусов без термической обработки.
Данная система имеет производительность около 285 л в сутки. Первая колба в фильтре Organic Smart - прозрачная, что дает возможность визуально следить за степенью загрязнения первого картриджа. Тем самым предотвращая несвоевременную замену картриджей.
Для правильного функционирования фильтра, необходимо, чтобы минимальное давление в водопроводе было не менее 2,8 атм. Если меньше, тогда необходимо рассматривать модели с насосом или докупить насос для обратного осмоса отдельно. В комплект данного фильтра Органик входит корпус фильтра со всеми картриджами, пластиковый накопительный бак на 12 л, двойной кран на мойку типа Модерн и весь комплект для подключения системы к водопроводу. Накопительный бак в осмосе Organic изготовлен из пищевого пластика с антибактериальным покрытием. Три нижних картриджа меняются раз в пол года, постфильтр, минерализатор, биоактиватор - раз в год, сменная уф-лампа - раз в год, мембрана - раз в 2-3 года.
Гарантия на обратноосмотические системы Organic Smart Osmo - 5 лет!
Технические характеристики:
Количество ступеней: 8
Производительность: 12 л/час
Рабочее давление воды: 2,8-6 атм
Назначение: для холодной воды
Накопительный бак: 12 л (полезный объем 9 л)
Размер (ШхГхВ): 410х200х490 мм
Вес системы без воды: 5,9 кг
Гарантия: 5 лет
Производитель: Organic (Украина)





































