- Опис
- Відгуки (0)
- Витр. матеріали
Модуль Neptun Base призначений для обробки сигналів від датчиків контролю протікання води та видачі сигналу управління на пристрій для виконання закриття кранів.
Принцип роботи: Модуль Base управляє всіма процесами всередині системи контролю від протікання води Neptun і пов'язує між собою всі її компоненти. При виникненні протікання модуль управління включає звукову і світлову сигналізацію, а також формує сигнал для зовнішніх виконавчих пристроїв, таких як крани з електроприводом та ін.
Технічні характеристики:
Спосіб передачі сигналу: провідний
Живлення: 220В
Час спрацьовування: до 2 с
Час безперервної роботи: не обмежено
Максимальна кількість датчиків: до 20
Максимальна кількість кранів: до 6
Спосіб встановлення: накладний монтаж
Габаритні розміри: 115×105×40 мм
Термін служби: не менше 7 років
Виробник: Neptun (Росія)
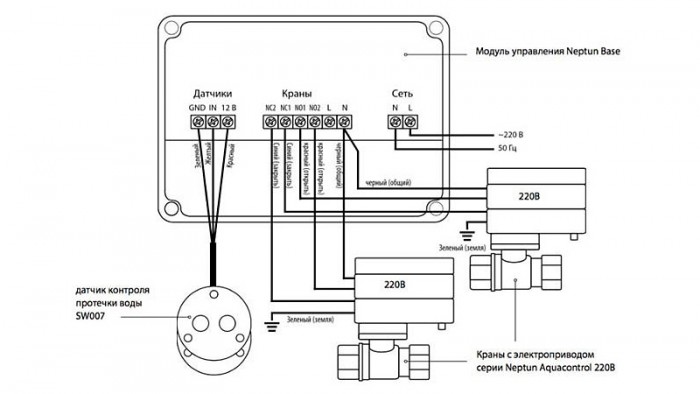
Схема підключення модуля до системи:











